АЛТЕРВИА 45X45, паз 10, A01454510 описание, цена, купить на av-prom.ru

Профиль конструкционный АЛТЕРВИА 45X45, паз 10, A01454510

Код 73634

Товар отсутствует в продаже

Товар сейчас отсутствует в продаже, Вы можете самостоятельно подобрать аналог этой модели из приведенных ниже вариантов или связаться с нами. Наш менеджер обязательно поможет определиться с выбором.

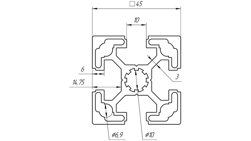
АЛТЕРВИА Профиль конструкционный н/а 45x45. паз 10 Арт. A01454510 Алюминиевый сплав (AlMgSi) 6060 DIN 573. Исполнение: Алюминий предварительно обработанный дробью не анодированный. Обозначение профиля: 45X45. Номинальный размер пазов: 10. Количество пазов: 4. Шероховатость лицевой поверхности (Ra): 1,6 мкм. Диаметр описанной окружности: 61,2 мм. Стандарт: ГОСТ 8617-81. Вид профиля 45х45 Ширина профиля 45 мм Высота профиля 45 мм Ширина паза 10 мм Материал алюминиевый сплав Покрытие не анодированный